Контакты
Новости
Каталоги
Наличие по Excel
 Войти
Сортировать:
Сначала новые
Сначала старые
Цена ↑
Цена ↓
Кол-во ↑
Кол-во ↓
Имя A→Я
Имя Я→A
Серийник ↑
Серийник ↓
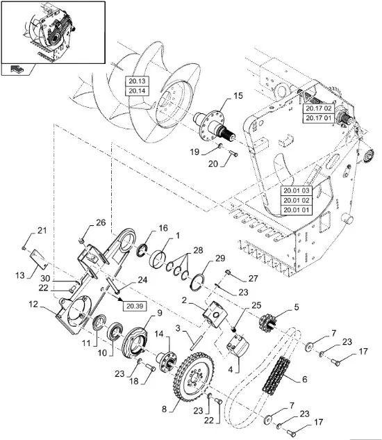
87374582 - фланец
3 828 ₽
87374583 - Ступица
40 885 ₽
87374584 - звездочка
5 958 ₽
87374591 - звездочка
104 636 ₽
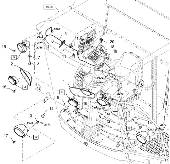
87374601 - Фара
8 108 ₽
87374602 - лампа
12 458 ₽
87374603 - фара
13 359 ₽
87374613 - кожух задней консоли панели органов управления
253 350 ₽
87374615 - Ремень привода колпака противопыльн. вент. охл. CS, CSX, CX6
3 852 ₽
87374622 - корпус подшипника
103 547 ₽
87374624 - жесткая трубка
9 536 ₽
87374635 - прокладка
5 354 ₽
87374648 - Клапан
61 298 ₽
87374654 -
18 172 ₽
AGCO0938-31-08-00 -
3 140 ₽
AGCO0951-51-71-00 -
3 140 ₽
AGCO1810748M91
3 140 ₽
84267368 - штуцер
2 423 ₽
84560098 -
1 596 ₽
87374656 - звездочка
32 894 ₽
87374657 - звездочка
37 948 ₽
87374797 - Валшестерня муфты тормоза парк. КПП диап. T8T8./Mg.
136 308 ₽
87374800 - Распорка
23 647 ₽
87374873 - втулка
22 065 ₽
«
<
1
...
398
399
400
401
402
...
34117
>
»
Страница:
Перейти